chinatungsten online ESTBLISHED1997 ISO9001:2008 CERTIFICATED
SITE MAP

关于钨丝

其他产品  »

Services Contacts  »

您的位置: 主页 >>鎢加熱子

鎢加熱子


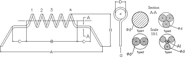
产品编号 No.006 of 28

tungsten heater6

产品编号 No.007 of 28

tungsten heater7

产品编号 No.008 of 28

tungsten heater8

加热子产品是梯形的加热子,线圈的数量和直径大小可根据客户要求定制。

希望在我们的网站您能找到适合你的规格或图纸。如果没能找到也没关系,请直接联系我们,并告诉我们您具体的要求和图号。

电话: 0592-5129696;传真:0592-5129797
邮箱: sales@chinatungsten.com
我们将以最快的速度提供最实惠的价格,最优质的产品!!

Go To:[1] [2] [3] [4] [5] [6] [7] [8] [9] [10]

Media Center>   [Information Bank]  [Dictionary of tungsten]  [Products Pictures' Bank]  [Live Video of Processing]  [Videos of Machining]  [Catalogs]
Ours Teams>   [Journey to Dongshan]  [2004 Xmas]  [2005 Xmas]  [2006 Spring Festival]  [2007 Spring Festival]  [Outside]  [2008 Spring Festival]  [2009 Xmas]
Chinatungsten Group>   [Workshop]   [CTIA]   [CTIA-EN]   [CTIA-日本語]   [Molybdenum Wire]  [Dart Barrels]   [Tungsten Wire]   [Tungsten Bars/Rods]   [Paper Weight]   [Tungsten Heavy Alloys]  [Tungsten Carbide Powder]  [Copper Tungsten]  [Darts Wholesale] [Darts Wholesale] [Tungsten Wikipedia]
    [China Tungsten]  [Tungsten Carbides]  [XATCM ]  [Infosys]  [Tungsten Wire]  [Tungsten Heater]  [Tungsten Powder][Tungsten Fishing]
    [Bucking Bar]  [DartChina Club]  [Tungsten Carbide Jewelry][Chatroulette][Xiamen Tungsten] [Metals Price]

Address: 3F, No.25 WH Rd, the 2nd Xiamen Software Park, FJ 361008,China
Phone:+86-592-5129696,+86-592-5129595;Fax:+86-592-5129797;Email:sales@chinatungsten.com">sales@chinatungsten.com
Copyright©2000 - 2009 ChinaTungsten Online All Rights Reserved   ISO 9001:2015